Universidade Federal de Santa Maria

Ci. e Nat., Santa Maria, v. 42, e49, Special Edition, 2020.

DOI: http://dx.doi.org/10.5902/2179460X40623

Received: 17/10/2019 Accepted: 17/10/2020

 

 

Special Edition

 

 

Redução da capacitância de barramento em driver para alimentação de LEDs

 

Bus capacitance reduction in driver for LEDs power

 

Eyad Yousef Ibrahim Yousef I

Paulo César Vargas Luz II

 

I, II Universidade Federal de Santa Maria, Cachoeira do Sul, RS, Brasil

 

 

Resumo

Este trabalho apresenta a avaliação de desempenho de técnicas de controle para a redução da capacitâncias em drivers para acionamento de LEDs. Através do emprego de controle ativo na corrente de saída do driver, pode-se controlar a ondulação oriunda do estágio PFC da corrente, mantendo-a em níveis adequados com as normas técnicas, sendo elas a IEC 61000-3-2 Classe C e a IEEE 1789. Este controle permite que a ondulação da tensão de saída possa variar em níveis maiores de amplitude, permitindo assim o emprego de um capacitor de barramento de menor capacitância e, por conseguinte, maior vida útil e confiabilidade. O sistema eletrônico analisado é composto pelo conversor Buck-Boost no estágio de controle de potência, para diferentes tensões de barramento e potências de saída. Foram analisados diferentes estruturas de controladores, no intuito de obter uma analise sobre a influência desses controladores na redução da capacitância de barramento. Obtendo assim uma maior ondulação na tensão de barramento, mantendo a concordância com a norma IEEE 1789 referente aos limites de ondulação de corrente nos LEDs.

Palavras-chave: Conversor Estático, Buck-Boost, LED driver, Redução Capacitância de Barramento, Controle Ativo do Ripple.

 

 

Abstract

This paper presents the performance evaluation of control techniques for the reduction of capacitors in drivers for actuation LED. Through the active control of the driver output current, the ripple from the PFC stage of the current can be controlled, keeping it at levels appropriate to the technical standards, being IEC 61000-3-2 Class C and IEEE 1789. This control allows the output voltage ripple to vary at higher amplitude levels, allowing the use of a lower capacitance bus capacitor, therefore longer life useful and reliability. The analyzed electronic system consists of the Buck-Boost converter was performed at the power control stage for different bus voltages and output power. Different controller structures were analizes, in order to obtain an analysis of the influence of these controllers in the reduction of bus capacitance. Thus obtaining a greater ripple in the bus voltage, maintaining agreement with IEEE 1789 standard regarding current ripple limits on LEDs.

Keywords: Static Converter, Buck-Boos, LED driver, Bus Capacitance Reduction, Active Ripple Control.

 

 

1 Introdução

As lâmpadas foram criadas para suprir a falta de luz em certos períodos do dia onde não temos a influência da luz solar. Sendo muito importante para o ser humano, para isso vem-se aprimorando e melhorando os tipos de iluminação. A primeira lâmpada a ser criada foi a lâmpada incandescente e ao passar dos anos foram criadas outros tipos de lâmpadas, no intuito de ter uma maior eficiência energética e consequentemente um menor consumo e controle no nível de harmônicos injetados à rede.

A lâmpada incandescente foi usada por muito tempo, até serem criadas as lâmpadas de descarga, não substituindo as lâmpadas incandescentes imediatamente. Utilizadas tanto como baixa e alta pressão no tubo de descarga. Alguns desses tipos de lâmpadas de descarga são as fluorescentes, do tipo vapor de sódio e a vapor de mercúrio, essas lâmpadas de descarga são muito utilizadas na iluminação. Essas lâmpadas estão substituindo as incandescentes. Como a tecnologia utilizada para iluminação vêm aumentando a cada ano, já podemos ver a utilização das lâmpadas LEDs em iluminação pública, substituindo as atuais lâmpadas de descarga.

Os diodos emissores de luz estão cada vez mais sendo utilizado, tanto para iluminação pública quanto para diversos setores como comerciais, residência e industriais. Por muito tempo esses LEDs foram utilizados como indicativos. Esses diodos tinham uma quantidade de lm/W (Lúmens/Watts) muito baixa, existindo somente a cor vermelha. Com isso podendo somente ser utilizado como indicativo de estado de alguma função, como por exemplo, ligado ou desligado. Com o passar do tempo foi-se aprimorando esse tipo de diodo e o mesmo sendo capaz de emitir luz branca e tendo um maior número de lm/W. Conforme o INMETRO a eficácia luminosa para uma lâmpada LED é de no mínimo 98 lm/W, essa exigência se da a partir da Tabela 1 que apresenta as classes referente a eficácia luminosa INMETRO (2018), porém podendo encontrar lâmpadas LEDs com uma eficiência energética acima de 150 lm/W EIA e U.S. (2012) JAEHEE et al. (2017).

 

Tabela 1Eficiência energética de lâmpadas LED

Classes

Nível de Eficácia Luminosa (lm/W)

Valor mínimo aceitável (lm/W)

A

EE ≥ 100

98

B

90 ≤ EE <100

88

C

80 ≤ EE 90

78

D

70 ≤ EE <80

68

 

As lâmpadas têm uma durabilidade conforme a quantidade de horas onde o LED está atuando com uma eficácia luminosa maior que 80% referente a sua luminosidade nominal, esse valor é regulamentado INMETRO (2018).

Sabendo que as lâmpadas LEDs tem uma vida útil maior comparado as incandescentes e as de vapor de sódio onde sua vida útil é de 10.000 horas e 32.000 horas, para uma eficácia luminosa de até 90 lm/W e 140 lm/W, com base na empresa EIA e U.S. (2007). Sendo que as lâmpadas LEDs conseguem chegar a uma vida útil de 60.000 horas atendendo os requisitos de manter uma luminosidade nominal de 80% PHILIPS LUMILEDS (2010).

 

 

1.1 Drivers para LEDS

Tem-se usado cada vez mais as lâmpadas LEDs, pois as mesmas têm melhor eficácia luminosa, qualidade da luz gerada, segurança e uma vida útil alta chegando a valores acima de 50.000 horas. Sendo uma característica muito importante quando se fala em iluminação pública, o que mais pesa é a durabilidade e eficácia luminosa. Tendo uma vida útil alta, as manutenções e trocas acabam propiciando o seu uso. Para esses tipos de lâmpadas à necessidade de um acionamento para estes semicondutores.

O acionamento de uma lâmpada LED necessita um dispositivo entre a carga LED e a fonte de alimentação, conhecidos como drivers. Através desse drivers pode ser controlada a luminosidade. Esses drivers devem ser projetados para que a vida útil seja compatível com a vida útil do LED. Devem também atender as principais normas sendo elas, a norma IEC 61000-3-2 Classe C e a norma IEEE 1789-2015.

Os mesmos necessitam de uma corrente contínua, porém a corrente da rede é senoidal, por isso à necessidade de circuitos de acionamentos para LEDs. São compostos de conversores estáticos que controlam a potência exigida pelos LEDs. Os drivers para LEDs com potência ativa superior a 25 W têm que atender a norma IEC 61000-3-2 Classe C, onde a mesma regula limites para o conteúdo harmônico da corrente absorvida pelo conversor da rede.

Essa norma tem como objetivo regulamentar os harmônicos da corrente drenada da rede, para isso necessita-se de controle de fator de potência, ou seja, estágio PFC, para poder filtrar esses harmônicos. Essas distorções harmônicas são regulamentadas o quão próximo de uma senoide essa corrente da rede pode ser. Os equipamentos de iluminação estão incluídos na classe C, sendo eles, incandescentes, de descarga, LEDs, "dimmers"(exceto para incandescentes). Onde para equipamentos com potência ativa acima de 25 W, seus limites podem ser vistos na Tabela 2, sendo uma máxima corrente harmônica permitida em função de um % da frequência fundamental da corrente de entrada 61000-3-2 (2005).

Os harmônicos referentes a classe C, limitada as harmônicas ímpares, até a harmônica 39a, em função da corrente de entrada

do sistema.

 

Tabela 2 – Limites para equipamentos classe C

Ordem harmônica n

Máxima corrente harmônica permitida expressa em porcentagem da frequência fundamental

2

2

3

30 x

5

10

7

7

9

5

(somente harmônicos ímpares)

3

 

Outra norma brasileira que deve ser atendida é a NBR 16026:2012, que regula um limite mínimo para o valor do fator de potência do driver. Essa norma estabelece que dispositivos eletrônicos para controle de LEDs, com potência superior a 25 W, devem possuir fator de potência superior a 0,92 ABNT (2012).

Deve ser considerada para o acionamento dos LEDs a ondulação da corrente nestes dispositivos. Pois a luminosidade desses semicondutores é diretamente proporcional à corrente. Existem limites no percentual da modulação da corrente nos LEDs normatizados pela norma IEEE 1789-2015. Uma consequência direta da redução da capacitância de barramento é o aumento da ondulação da corrente nos LEDs. No entanto esse percentual da modulação deve seguir normas a equação que rege esse percentual se da pela Eq. 1.

 

(1)

 

Onde esse Max e Min são representados pelo valor máximo e mínimo da corrente nos LEDs. Esses valores são representados na Figura 1, sendo uma forma de onda típica em conversores.

 

Figura 1Ondulação da Corrente nos LEDs

Uma imagem contendo objeto

Descrição gerada automaticamente

 

A norma IEEE 1789-2015 mostra que o percentual de modulação da corrente têm dois níveis o de baixo risco e o sem efeito, referente a percepção humana. Com os estudos de Lehman e Wilkins (2014), junto com as recomendações da IEEE 1789-2015, existe um percentual máximo de modulação da corrente.

Nível de baixo risco tem como princípio reduzir qualquer efeito biológico ou distração devido a ondulação na luminosidade. É garantido esse nível mantendo o percentual da modulação da corrente no limite mostrado na Eq. 2.

 

(2)

 

Onde Freq é a frequência da ondulação da corrente.

 

O nível sem efeito, onde nenhum efeito tanto biológico quanto distração são percebidos, tendo o limite da modulação da corrente limitado pela Eq. 3.

 

(3)

 

Na Figura 2 é mostrado graficamente o valor destes níveis de modulação em função da frequência da ondulação da corrente nos LEDs Lehman e Wilkins (2014).

Como pode ser visto a ondulação da corrente não estando dentro da norma IEEE 1789-2015 implica na cintilação luminosa. Ocasionando enxaqueca ou dor de cabeça severa, convulsão, aumento no comportamento repetitivo entre pessoas autistas, fadiga ocular, dentre outros (IEEE 1789-2015).

 

Figura 2 – Ondulação de baixo risco (cinza escuro) e sem efeito (cinza claro)

 

 

1.2 Problemas capacitores eletrolíticos

Normalmente em drivers se utiliza capacitores eletrolíticos por atender a necessidade de uma alta capacitância em uma elevada tensão. Porém esses capacitores tem uma vida útil baixa, com relação a vida útil do LED. Com a necessidade do aumento da vida útil dos drivers, implica na troca desses capacitores, substituindo por outro capacitor com uma tecnologia de maior vida útil.

Por causa da baixa frequência da rede, a capacitância de barramento utilizada em conversores geralmente é alta, com isso leva a utilização de capacitores eletrolíticos Alonso et al. (2012). Porém, capacitores eletrolíticos são responsáveis por 50% das falhas em fontes chaveadas ZHOU et al. (2012).

Essas falhas podem ocorrer no decorrer da vida útil do capacitor eletrolítico. Como podemos ver na Tabela 3, está demonstrado os modos de falha e seus mecanismos de falha CAMPONOGARA (2015).

 

Tabela 3 – Modos e mecanismos de falha em capacitores eletrolíticos

Modos de Falha

Máxima corrente harmônica permitida expressa em porcentagem da frequência fundamental

Curto-Circuito

-Curto circuito entre os eletrodos

-Rompimento na isolação da camada de óxido

 

 

Circuito Aberto

-Deterioração do eletrólito

-Baixo nível de eletrólito

-Corrosão do eletrodo

 

 

Aumento da corrente de fuga

-Deterioração da camada de óxido

 

 

Abertura da Válvula

-Aumento da pressão interna

 

 

Redução da capacitância e aumento da ESR

-Redução do nível de eletrólito

-Deterioração do eletrólito

-Redução da capacitância da folha do ânodo ou cátodo

 

As falhas relacionadas ao curto-circuito geralmente acontecem no início de operação do capacitor, ocasionado por defeitos no processo de fabricação. Enquanto as falhas que resultam do circuito aberto, podem ser causadas por: temperatura fora dos parâmetros projetados, calor excessivo, degradação do material de vedação, alta ondulação de corrente. Nesses casos normalmente, existe uma perda de eletrólito por falha da vedação CAMPONOGARA (2015).

Tanto o aumento da corrente de fuga, quanto a abertura da válvula de vedação, podem ocorrer em consequência do processo de auto cura do capacitor. Essa auto cura acontece quando é aplicada uma tensão inversa ou quando existe falhas na camada de óxido de alumínio. Nesse caso uma corrente de fuga começa a circular, fazendo com que água presente no eletrólito sofra um processo de hidrólise CAMPONOGARA (2015).

A redução da capacitância e aumento da ESR (Resistência Serie Equivalente), são ocasionados principalmente pela redução do líquido eletrólito. Ocasionando a diminuição da área de contato do óxido e do cátodo, tendo então o aumento da resistência série do capacitor e consequentemente aumento da temperatura do capacitor. Essa redução da capacitância impacta no aumento da ondulação de tensão CAMPONOGARA (2015). Esse problema pode ocasionar um maior estresse tanto de tensão quanto  de corrente nos semicondutores, a falha destes podem ocorrer antes do termino da vida útil do capacitor, isso ocorre quando a capacitância reduz entre 10% e 20% o seu valor inicial de capacitância ou quando o EST aumenta 200% do seu valor inicial HAN e NARENDRAN (2011).

 

 

1.3 Solução adotada para o aumento da vida útil dos drivers

Os drivers para acionamento de LEDs vêm sendo modificados. Os capacitores de barramento do tipo eletrolítico tem uma vida útil bem menor considerado à vida útil do LED. Vêm sendo estudando maneiras para a redução do valor dessa capacitância. Uma solução para o problema da vida útil e maior confiabilidade, seria a troca do capacitor eletrolítico por um capacitor de filme. Sabendo que o mesmo tem uma maior vida útil como mostrado na Tabela 4.

Porém para a troca do capacitor eletrolítico necessita a redução da capacitância de barramento. Pois capacitores de filme tem um volume muito superior ao dos eletrolíticos para uma mesma capacitância e mesma tensão como visto na Tabela 4. Capacitores eletrolíticos tem uma vida útil de 15.000 horas EPCOS (2012) enquanto os de filme tem uma vida útil de 200.000 horas para uma temperatura de operação de 85°C United Chemi-Con (2018).

Para atender todos esses requisitos, referentes a normas IEC 61000-3-2 Classe C e IEEE 1789-2015. É preciso adotar um conversor para acionamento de lâmpadas LEDs. Para isso necessita atender principalmente as duas normas, sendo para a primeira ter um estágio PFC (Power Fator Control), para o controle dos harmônicos absorvidos pela rede. Para a segunda norma existe a necessidade de um capacitor de barramento com uma alta capacitância, entre os estágios de PFC e PC para que não tenha um aumento na ondulação da corrente de saída.

O capacitor de barramento tem como função diminuir a ondulação da corrente mantendo um nível de potência CC. A potência de entrada (Pin) é a saída do estágio PFC e a potência de saída (Pb) é do estágio do PC. Onde o mesmo precisa ter uma capacitância grande, diminuindo o ripple da corrente de saída. Como os capacitores de barramento precisam ter capacitâncias grandes, é utilizado o capacitor eletrolítico que tem uma vida útil menor se comparado ao LED. A relação entre a potência de entrada e saída é mostrado na Figura 3.

 

Figura 3 – Formas de ondas de entrada de drivers para acionamento de LEDs

 

Um método para aumento da vida útil das luminárias é a troca do capacitor de barramento. Nesse trabalho está sendo utilizadas lâmpadas para representar a carga LED, enquanto a luminária é o conjunto da utilização de um driver e a carga LED. Para efetuar a troca desse capacitor, implica na utilização de um controle da ondulação da corrente de saída. Esse método utilizado está exemplificado ao decorrer desse trabalho.

Os sistemas eletrônicos limitados pela vida útil dos capacitores eletrolíticos é um problema que afeta outras áreas não somente as aplicadas em iluminação à base de LEDs Agarwal et al. (2016) Alemi et al. (2015) Krein et al. (2012).  Para solucionar   esse problema, diversos autores buscam substituir os capacitores eletrolíticos por outros com tecnologia de maior vida útil CAMPONOGARA (2015) Soares et al. (2017) Lam e Jain (2015) Menke et al. (2019). No intuito da redução da capacitância de barramento nos drivers para LEDs, possibilitando a utilização de capacitores de filme.

 

 

1.4 Propriedades físicas do LED

Os LEDs são constituídos de uma junção PN, igual à de um diodo retificador. Para um semicondutor usual do tipo PN se utiliza uma dopagem, onde a parte p dopa-se positivamente obtendo lacunas livres, onde à ausência de elétrons, já na junção N à elétrons livres. A junção PN é considerada uma chave aberta, onde existe uma barreira onde a junção N têm que vencer para chegar na junção P, para isso necessita-se uma polarização para que essa barreira seja vencida, nesse caso uma polarização positiva na junção P e uma polarização negativa na junção N vencerá a barreira. A energia emitida quando é vencida a barreira é a emissão de fótons (luz) BULLOUGH (2003), como mostrado na Figura 4 Bender (2012).

 

Figura 4 – Princípio do funcionamento do LED

 

Os LEDs emitem uma luz monocromática, sendo em apenas um comprimento de onda. A cor emitida pelo dispositivo depende da dopagem e componentes químicos, implicando numa necessidade de tensão para a polarização de cada do dispositivo. Os elementos utilizados para a coloração da luz são alumínio, índio, gálio (AlInGaP) e nitrito de índio gálio (InGaN), na Figura 5 é mostrado o espectro visível da cor emitida pelo LED RGB (Red Green Blue), isso dependendo do material que é utilizado Bender (2012).

 

Figura 5 – Comprimento de onda relacionado a coloração emitida do LED

 

 

1.5 Modelo Elétrico

Como o LED não é um dispositivo ideal, podemos relacionar ele com uma fonte de tensão em série com uma resistência em série com um diodo ideal, sendo o modelo elétrico adotado pelo LED, mas sendo usual o seu modelo simplificado, na Figura 6 é mostrado o modelo elétrico do LED e seu modelo simplificado.

 

Figura 6 – Modelo elétrico e simplificado de um LED de potência.

 

Onde a relação da tensão e corrente no LED se dá pela Equação 4

 

(4)

 

é a tensão mínima para que comece a emitir luz.

 

 

1.6 Capacitores eletrolíticos em drivers para acionamendo de LEDs

Os capacitores utilizados em drivers para acionamento de LEDs, normalmente são do tipo eletrolítico. Isso se dá pela potência de entrada no sistema ser pulsante (Pin), enquanto a potência exigida pela carga é potência contínua (Pb), como mostrado na Figura 3. A corrente de saída deve ter uma ondulação pequena ou ser controlada. Essa ondulação deve ser pequena, pois implica na corrente dos LEDs que devem manter um nível de ondulação limitado pela norma IEEE 1789-2015.

A necessidade de uma corrente contínua para a alimentação da carga implica em uma elevada capacitância de barramento. Com isso tendo a necessidade de se utilizar eletrolíticos por ter a sua capacitância elevada, existindo um equilíbrio entre Pin e Pb. Juntamente com o fato de geralmente a tensão de barramento ser elevada, onde é exigido uma alta relação Farad/volt. Para essa tecnologia de capacitor temos uma relação entre capacitância e volume para uma dada tensão e seu baixo custo comparado a outros modelos de capacitores. Os capacitores eletrolíticos têm uma vida inferior significante referente a dos LEDs.

Esses capacitores operando em 105C tem uma vida útil de 10.000 horas MOUSER (2018), para LEDs alcançam valores acima de 50.000 horas Wang et al. (2017) ECP (2018). Soluções adotadas por vários autores Almeida et al. (2012) Alonso et al. (2011) Cosetin et al. (2012) Da Fonseca et al. (2012) Gu et al. (2009) Pinto et al. (2012) Wang et al. (2012) Lam e Jain (2015) Wang et al. (2010) Chen e Hui (2012) Cosetin et al. (2014) Alonso et al. (2012) Soares et al. (2017) CAMPONOGARA (2015), é a substituição do capacitor eletrolítico por um capacitor de filme, diante da sua elevada vida útil. A Tabela 4 é demonstrada uma comparação em diversos aspectos dessas duas tecnologias United Chemi-Con (2018).

 

Tabela 4 – Comparativo entre capacitores eletrolíticos e de filme

 

Capacitor Eletrolítico 1

Capacitor de Filme 1

Capacitor Eletrolítico 2

Capacitor de Filme 2

Capacitância

100µF

100µF

5,6µF

5,6µF

 

 

 

 

 

Tensão

400V

500V

400V

500V

 

 

 

 

 

Dimensões

16x30mm (DxL)

30x45x57,5mm (CxAxL)

10x16mm (DxL)

31,5x25x13mm (CxAxL)

 

 

 

 

 

Volume

6,031mm³

77,625mm³

1,256mm³

10,237mm³

 

 

 

 

 

Vida útil / Temperatura de Operação

10.000 horas / 105°C

100.000 horas / 70°C

10.000 horas / 105°C

100.000 horas / 70°C

 

Com base na Tabela 4 podemos observar que os capacitores de filme têm uma vida útil superior aos dos capacitores eletrolíticos. Como boa parte das falhas e vida útil baixa está relacionada a eletrolíticos, o sistema não será mais limitado por esse dispositivo.

Uma solução seria controlar a temperatura do capacitor eletrolítico. Esses tipos de capacitores dobram a vida útil para cada redução de 10°C na temperatura da sua operação, com relação à temperatura máxima que o dispositivo suporta Accardi e Dodonov (2013). A vida útil estimada de um capacitor eletrolítico com base a temperatura de operação pode ser aproximada pela Eq. 5.

 

(5)

 

Onde: Lx é a vida útil estimada para o capacitor eletrolítico; L0 é a vida útil do capacitor para a temperatura máxima de operação; T0 é a temperatura máxima de operação do capacitor; Tx é a temperatura de operação para a qual se deseja estimar a vida útil.

Os valores de L0 e T0 são dados fornecidos pelo fabricante em suas folhas de especificações.

Para uma precisão nesse cálculo, o capacitor eletrolítico deve operar com temperatura muito inferior à temperatura máxima especificada pelo fabricante. Como normalmente o sistema aplicado permanece fechado, com variações de temperaturas. Seriam necessários circuitos para o resfriamento do sistema ou algum sistema para controle de temperatura desses componentes, porém tornando o circuito para acionamento de LEDs mais complexos, custos mais elevados e menos confiáveis.

 

 

1.7 Definição do problema

Os drivers utilizados em iluminação tem que atender duas normas, sendo elas IEC 61000-3-2 Classe C e IEEE1789-2015. Para atender a norma IEC 61000-3-2 Classe C necessita de PFC (Controle do Fator de Potência), para isso se utiliza um estágio PFC para atender essa norma. Onde o mesmo pode regular o nível de harmônicos absorvidos pela rede. Para atender a norma IEEE 1789-2015 precisamos manter um nível máximo de ondulação da corrente de saída no LED. Nesse tipo de conversor necessita uma capacitância de barramento alta para uma alta tensão. Esse tipo de relação implica a utilização de capacitor eletrolítico, porém o mesmo tem uma vida útil inferior ao LED.

Para a substituição desse capacitor necessita a redução da capacitância de barramento, substituindo assim por um capacitor do tipo filme. Essa redução implica no aumento da ondulação da corrente nos LEDs. Com isso não atendendo a regulamentação da norma IEEE 1789-2015. Para diminuir essa ondulação de corrente necessita de um controle ativo da corrente de saída para a redução da ondulação.

Como já foi comentado temos um estágio de PFC para atender a norma IEC 61000-3-2 Classe C. Na saída desse estágio temos uma potência pulsante na frequência de 120 Hz como mostrado na Figura 3. Como no estágio de PC necessita-se de uma potência continua com uma frequência de 0 Hz, utiliza-se um capacitor de barramento entre os estágios com uma capacitância elevada (centenas de microfarads) para uma alta tensão (centenas de volts).

Um método para a redução da ondulação da corrente é utilizar controladores como I (Integrador), PI (Proporcional Integral), PID (Proporcional Integral Derivativo) e ainda o R (Ressonante). Neste trabalho será utilizado o controlador PIR (Proporcional Integral Ressonante). Onde a parte do integral, gera um erro nulo em regime permanente na frequência de 0 Hz (valor médio). Enquanto a parte ressonante gera um erro nulo em regime permanente na frequência de 120 Hz (ondulação).

Para esse controlador PIR é utilizada uma referência mostrada na Figura 7, onde é comparada a corrente de saída com essa referência gerando um erro. A partir desse erro é utilizado um comparador para gerar um novo duty. Com isso reduzindo a ondulação da corrente de saída. Com a troca do capacitor eletrolítico pelo capacitor de filme com menor capacitância e a utilização do controle ativo, a corrente de saída em regime permanente vai se manter.

 

Figura 7 – Gráfico da Referência

 

O gráfico de Bode para um controlador PIR está demonstrado na Figura 8

 

Figura 8 – Ganho de Bode do controlador PIR.

 

Este projeto se dá somente para o estágio PC, onde o mesmo é aplicado leis de controle. Analisando o comportamento de diferentes técnicas de controle aplicado na compensação ativa da ondulação de corrente em drivers para LEDs. Avaliar essas técnicas para diferentes tensões de barramento e diferentes potências de saída do conversor. Comparar os resultados obtidos dentre os controladores para diferentes casos.

 

 

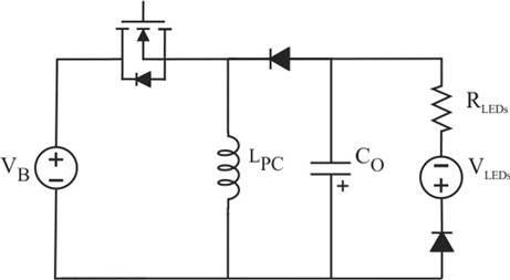
2 Conversor Buck-Boost estágio PC

Os conversores trabalham em dois modos de operações em CCM (Modo de Condução Contínua) e DCM (Modo de Condução Descontínua). O caso que está sendo avaliado é o DCM, onde foram analisados as etapas de um conversor Buck-Boost. Todos os componentes estão sendo considerados em um sistema ideal, na Figura 9 é mostrado o circuito do conversor Buck-Boost utilizado para controlar o ripple da corrente de saída.

 

Figura 9 – Conversor Buck-Boost

 

Foi obtido através da análise do conversor as equações durante as três etapas de operação. Com isso a obter o valor da capacitância e indutância do conversor. A Eq. 6 é referente a equação para obter o valor do indutor enquanto a Eq. 7 obtém o valor da capacitância do conversor. Onde o valor dessa indutância e capacitância foram validadas através de simulações.

 

(6)

 

(7)

 

 

3 Modelagem do conversor Buck-Boost

A modelagem do estágio de potência PC é feito através da análise do estágio PFC, como não foi projetado esse estágio, podemos representar como uma fonte de tensão, como pode ser observado em LUZ (2017) na Figura 10. O circuito representado se caracteriza por um conversor Buck-Boost. A ondulação da tensão no conversor, tanto da entrada quanto na saída, é vista como perturbações na modelagem. Esta modelagem é realizada pelo modelo da chave PWM (Pulse Width Modulation) modulação por largura de pulso. Este modelo é válido para pequenas perturbações nas variáveis sobre o ponto de operação.

 

Figura 10 – Circuito simplificado do estágio PC para modelagem

.

 

A modelagem consiste em um método de substituição dos interruptores tanto os controlados quanto os não controlados. Para este método é feito a substituição dos interruptores por fontes de tensão e corrente equivalentes, no intuito de obter um circuito linear. Essas fontes são representadas pelos valores médios da tensão e corrente nos interruptores, sendo assim, são eliminados os harmônicos gerados pela frequência de comutação LUZ (2017).

Através da analise da modelagem para o driver, foi possível obter a função de transferência do conversor da corrente de saída pela razão cíclica do estágio de controle de potência (PC) obtida pela Eq.8.

 

(8)

 

Para validar a função transferência do estágio PC, foi feita simulação junto com o circuito equivalente como mostrado na Figura 11 adaptado de LUZ (2017).

 

Figura 11 – Comparação do modelo e a simulação do GIoD

 

Na Figura 12 apresenta-se a comparação entre a simulação e a função transferência GIoD. Foi submetido uma variação de +7% e -7% no valor da razão cíclica, com isso observando o comportamento de ambos.

 

Figura 12 – Circuito simulado para validação do modelo do estágio PC.

 

Este resultado faz com que seja validado o estágio de controle de potência PC dado pela Figura 10. O próximo passo é aplicar leis de controle para controlar a corrente de saída, através da variação da razão cíclica do interruptor controlado.

 

 

4 Controle do ripple da corrente de saída

Foram avaliadas três diferentes técnicas de controle ao conversor Buck-Boost aplicado ao estágio de controle de potência de um driver para LEDs. Nessa análise é buscado o melhor desempenho das leis de controle na redução do capacitor de barramento do driver. Foram feitos seis estudos de caso, sendo três valores de tensão de barramento com duas potências de saída. A partir desses valores de tensão e potência podem ser substituídas na Eq.8, obtendo assim o modelo para esses dados de projeto.

Para cada modelo de projeto, foi aplicado três tipos de controladores, sendo eles o controlador proporcional integral (PI), proporcional integral ressonante (PIR) e o proporcional integral quase ressonante (PIQR). Aplicando esses controladores, foi possível variar a ondulação da tensão de barramento, observando quanto de ondulação na frequência de 120 Hz era possível ser aplicado na tensão de barramento. Como em sistemas de potência é normalmente alimentado por uma tensão vinda da rede, existe essa preocupação na sensibilidade no sistema de controle referente a frequência de 120 Hz. Com isso existe a necessidade de um ganho nessa frequência para reduzir os erros na ondulação da corrente. Os diferentes compensadores foram avaliados no controle da corrente de saída do conversor Buck-Boost aplicado no estágio de PC de um – para LEDs.

Para encontrar as plantas dos controladores, foi utilizado o software MATLAB, utilizando a ferramenta Sisotool. Com a utilização dessa ferramenta foi alocado polos e zeros na função transferência obtida utilizando o conversor da Figura 9. Este método de alocação, possibilita em deslocar esses polos e zeros no intuito de encontrar uma planta para o controlador que satisfaça as necessidades.

Serão apresentados os resultados da aplicação dos controladores PI, PIR e PQR para dois valores de potência (35W e 70W) e para três valores de tensão de barramento (100 V, 200 V e 300 V). Onde a referência do sinal de 120 Hz deve ser a mesma para todos os controladores. O objetivo dessa análise se concentra em obter o valor da ondulação máxima da tensão de barramento do estágio PC para cada lei de controle. Esse máximo valor de ondulação da tensão de barramento atendendo os valores permitidos pela norma técnica, isso implica na máxima redução do valor do capacitor de barramento para cada caso.

Ainda é buscado entender se existe alguma relação entre a máxima redução do valor do capacitor de barramento e os valores de tensão de barramento e potência do conversor.

 

 

4.1 Modelo LED

Como mostrado anteriormente na Figura 6, o LED pode ser visto por uma fonte de tensão em série com uma resistência e um diodo. Para validar o modelo do LED foi aplicada uma tensão nele, medindo a corrente que circulava pelo LED, sabendo então qual a potência que o LED está fornecendo. Com isso foi gerado um gráfico da corrente em função da tensão que está sendo aplicado no LED, como podemos observar na Figura 13.

 

Figura 13 – Gráfico da corrente pela tensão do LED

 

Na Figura 13 o eixo X é representado a tensão aplicada no LED, enquanto no eixo Y é a corrente que circula através do LED.A partir da Figura 13 foi traçado uma tangente no gráfico observando assim a tensão em função da corrente, obtendo através desses valores a resistência (RLEDs) do modelo do LED. Depois de traçado, foi observado que a tensão desse modelo se dá pela tensão de 32,9624V e uma resistência LED de 1,92 Ω.

 

 

4.2 Controladores para o Caso 1

Foi obtido os resultados da aplicação dos controladores PI, PIR e PIQR para uma potência de 34,88 W, para um valor de tensão de 100 V e corrente de saída de 1 A. Na Tabela 5 mostra os valores de projeto para o primeiro caso.

 

Tabela 5 – Dados de projeto para o caso 1 Caso 1

Caso 1

VB = 100 V

 

P0 = 34,88 W

VB

V0

P0

 

fs

C0

LPC

100 V

34,88 V

34,88 W

 

50 kHz

46,3 µF

0,156 mH

 

Sabendo esses dados pode-se jogar eles na Eq.8 e obter a planta deste conversor para os dados do caso 1, como pode ser visto na Eq.9.

 

(9)

 

O circuito do caso 1 em malha aberta (M.A.) obtém uma ondulação na corrente de saída do conversor, como pode ser visto na Figura 14.

 

Figura 14 – Corrente de saída em M.A. para o Caso 1

 

 

4.21 Controlador PI

É aplicado um controlador PI, avaliando o quanto de perturbação ele consegue fazer com que se mantenha dentro dos limites exigidos pela norma. Foi encontrado a planta deste controlador, mostrado na Eq. 10.

 

(10)

 

Aplicando este controlador e fazendo a realimentação do circuito é obtida uma ondulação na corrente de saída, como pode ser visto na Figura 15. O compensador atua na ondulação da corrente de saída, reduzindo esse valor. Isso torna possível aumentar a ondulação da tensão de barramento, sem que a ondulação da corrente de saída extrapole os valores da norma. Embora aumente a ondulação da tensão de saída, a ondulação da corrente deve ser fixada em um valor. Aumentar esse valor de ondulação da tensão de barramento implica na redução do valor da capacitância de barramento. Para o caso do controlador PI foi possível incrementar a ondulação da tensão de barramento para 21V o que implica em uma possível redução do capacitor de barramento em 89,5%.

 

Figura 15 – Corrente de saída com aplicação do controlador PI para o Caso 1

 

Para este controlador foi retirado o Bode, no intuito de analisar a M.G, M.F. e F.C do controlador aplicado a planta do conversor como mostrado na Figura 16. Para garantir maior estabilidade no sistema necessita atender algumas exigências, sendo elas ter uma margem de ganho maior que 6 dB e uma margem de fase menor que 60°, com isso garantindo que o sistema opere como projetado.

 

Figura 16 – Bode do controlador PI aplicado a planta do Caso 1

 

 

4.2.2 Controlador PIR

Em seguida foi aplicado um controlador PIR, a planta deste controlador está mostrada na Eq.11. Através da atuação desse compensador foi possível aumentar a ondulação da tensão de barramento para 30V, o que possibilita uma redução de 92,6% no capacitor de barramento.

 

(11)

 

Ao aplicar a planta da Eq.11 no conversor é retirada uma nova forma de onda da corrente de saída, como mostrado na Figura 17.

 

Figura 17 – Corrente de saída com aplicação do controlador PIR para o caso 1

 

A partir da planta do controlador PIR foi retirado o diagrama de bode deste controlador, mostrado na Figura 18.

 

Figura 18 – Bode do controlador PIR aplicado a planta do Caso 1

 

 

4.2.3 Controlador PIQR

Foi feito o mesmo processo para o controlador PIQR, porém com variação no damping no polo duplo situado na frequência de 120 Hz. A variação do damping se deu para as seguintes variações 0.1, 0.2, 0.3, 0.5, 0.7 e 1, como em todas essas variações não houve modificação no valor da perturbação da tensão de barramento, serão mostrado os resultados e planta para o controlador com damping de 0.5. Os resultados do controlador PIQR são apresentados apenas para o damping 0.5 por ser o melhor resultado do controlador que obedece os requisitos de projeto do compensador (M.F. M.G.). A seguir segue a planta do controlador PIQR com damping de 0.5, dado pela Eq.12.

 

(12)

 

Aplicando a planta da Eq.12 no conversor para o caso 1, foi obtida uma ondulação na corrente de saída, para uma mesma perturbação de barramento que a do PIR. Essa corrente pode ser observado na Figura 19, através da atuação desse compensador foi possível aumentar a ondulação da tensão de barramento para 30V, o que possibilita uma redução de 92,6% no capacitor de barramento.

 

Figura 19 – Corrente de saída com aplicação do controlador PIQR com damping de 0.5 para o Caso 1

 

A partir da planta do controlador PIQR com damping de 0.5 foi retirado o diagrama de bode deste controlador, é mostrado na Figura 20 o diagrama para todos os damping simulados.

 

Figura 20 – Bode do controlador PIQR aplicado a planta do Caso 1, para todos damping

 

Para melhor visualizar todos os controladores para esse caso, foi aplicado todos os três controladores em um só diagrama de Bode, como mostra Figura 21.

 

Figura 21 – Bode dos controladores PI, PIR e PIQR para o Caso 1

 

Para todos os casos, aplicam-se os três controladores, observando sua margem de ganho (M.G.), margem de fase (M.F.) e frequência de corte (F.C.). No caso 1, podemos observar para cada controlador a partir da Tabela 6.

Os próximos casos seguiram o mesmo padrão que o primeiro caso. Mantendo os mesmos critérios de M.G. e M.F., atendendo os requisitos, garantindo estabilidade no sistema e atendendo as normas. Os mesmos valores de tensão VLED e RLED foram utilizados para os cálculos e simulações.

 

Tabela 6 – Dados dos controladores para o caso 1

Dados Bode

VB = 100 V

V0 = 35 V

PI

VB = 100 V

V0 = 35 V

PIR

VB = 100 V

V0 = 35 V

PIQR com variação do damping

0,1

0,2

0,3

0,5

0,7

1

M.F.

55,2°

43,2°

44,2°

45,2°

46,2°

48,1°

50°

52,8°

 

 

 

 

 

 

 

 

 

M.G.

infinita

infinita

infinita

infinita

infinita

infinita

infinita

infinita

 

 

 

 

 

 

 

 

 

F.C. (kHz)

2,18

1,41

1,41

1,41

1,41

1,41

1,41

1,41

 

 

 

 

 

 

 

 

 

Redução

% do CB

89,5

92,6

92,6

92,6

92,6

92,6

92,6

92,6

 

 

4.3 Avaliação dos resultados

Para os outros cinco casos serão demonstrados os resultados através de tabelas. Onde é demonstrado o valor da ondulação da tensão de barramento, com isso implicando no valor da redução percentual da capacitância de barramento.

Nesta seção serão apresentados os resultados comparativos de todas as tensões de barramento e diferentes potências. Obser- vando assim o comportamento dos controladores em diferentes casos. Para melhor observar os parâmetros do conversor para diferentes casos e diferentes controladores, podem-se observar esses dados conforme a Tabela 7. Nesta tabela contém também a variação da tensão de barramento na frequência de 120 Hz.

 

Tabela 7 – Dados do conversor e variações da tensão de barramento na frequência de 120Hz

Caso

VB (V)

V0 (V)

P0 (W)

VB (V)

M.A.

VB (V)

PI

VB (V)

PIR

VB (V)

PIQR

damping 0.5

1

100

35

34,88

2,2

21

30

30

2

200

35

34,88

4,6

46

90

90

3

300

35

34,88

7

65

140

140

4

100

36,8

73,6

2,4

25

31

31

5

200

36,8

73,6

4,6

50

90

90

6

300

36,8

73,6

7

65

140

140

 

Onde: ∆VB (V) M.A. é a ondulação da tensão de barramento para o conversor operando em malha aberta, que garante atender a norma IEEE 1789.

VB (V) PI é a ondulação máxima da tensão de barramento para o conversor operando em malha fechada, que o controlador PI garante para atender a norma IEEE 1789.

VB (V) PIR é a ondulação máxima da tensão de barramento para o conversor operando em malha fechada, que o controlador PIR garante para atender a norma IEEE 1789.

VB (V) PIQR é a ondulação máxima da tensão de barramento para o conversor operando em malha fechada, que o controlador PIQR com damping de 0.5 garante para atender a norma IEEE 1789.

Outro dado importante é o quanto de redução percentual da capacitância de barramento foi possível reduzir em cada um dos casos para diferentes controladores, esses dados podem ser observado na Tabela 8.

 

Tabela 8 – Redução do capacitor de barramento para diferentes controladores

Caso

VB (V)

P0 (W)

Redução %

utilizando PI

Redução %

utilizando PIR

Redução %

utilizando PIQR

1

100

34,88

89,5

92,6

92,6

2

200

90

94,88

94,88

3

300

89,23

95

95

 

 

 

 

 

 

4

100

73,6

90,4

92,25

92,25

5

200

90,8

94,88

94,88

6

300

89,23

95

95

 

Para todos os casos, para maiores tensões de barramento obtêm-se maiores ondulações, o que já é esperado. Pois a ondulação é percentual, logo quanto maior a tensão de barramento maior será a ondulação de barramento, porém o valor percentual se mantém próximos. Utilizar tensões de barramento maiores, implica em uma maior redução da capacitância de barramento, isso implica por ter um valor de ∆VB maior.

Outro comportamento observado é que a eficácia quanto à redução do capacitância de barramento aplicando um controlador do tipo Proporcional Integral é menor que todos os outros. Isso acontece por que os controladores ressonantes possuem maior ganho associado a frequência da ondulação (120Hz). A maior redução do capacitor de barramento obtida por esse controlador é de 90,8%, sendo que utilizando o PIR e o PIQR foi possível obter um valor percentual maior que os alcançados nos controladores PI. Ainda os resultados obtidos tanto com o PIR quanto com o PIQR foram muito similares.

Após obter esses dados, foi feito uma análise no diagrame de Bode. Esse Bode se deu para observar o comportamento das plantas e ter um comparativo para diversas situações. Como pode ser visto na Figura 22, é mostrado todas os controladores PI para a potência de 34,88W.

 

Figura 22 – Bode dos controladores PI para uma potência de 34,88W

 

O PI para uma tensão de barramento de 300 V tem um ganho maior que os demais, o que implica que pode ser aumentado o ∆VB e enquanto o ∆I0 se mantém. Isso implica com que seja possível reduzir o valor da capacitância de barramento, tendo uma maior redução que as demais tensões de barramento. O mesmo comportamento pode ser observado para o driver com maior potência como está representado na Figura 23.

 

Figura 23 – Bode dos controladores PI para uma potência de 73,6W

 

Como pode ser observado nos Figuras 22 e 23, um dos comportamentos que pode ser observado que difere os controladores é o ganho da planta. O Bode a ser analisado é o dos controladores PIR para diferentes tensões de barramento, para uma potência de 34,88W. Esse comportamento pode ser observado a partir da Figura 24.

 

Figura 24 – Bode dos controladores PIR para uma potência de 34,88W.

 

A mesma análise foi feita para os controladores PIR para uma potência de 73,6. Na Figura 25 pode ser observado o comportamento desses controladores.

 

Figura 25 – Bode dos controladores PIR para uma potência de 73,6W.

 

Um ponto a ser analisado é que no controlador PIR para uma tensão de barramento de 200V, se difere no diagrama de fase desses controladores, isso se dá pelo local onde se situa os zeros da planta. Como pode ser observado o ganho em 120 Hz de cada um dos PIR é infinito, idealmente essa característica garante erro nulo em regime permanente para uma dada referência. Novamente pode ser visto que o sistema com maior valor de tensão de barramento apresenta maior ganho. O que implica na maior redução do valor da capacitância de barramento.

Última análise para uma mesma potência é o controlador PIQR. Onde o quase ressonante não tem ganho infinito em 120 Hz. Implica que não tem erro nulo na frequência 120 Hz em regime permanente. No entanto o ganho desse controlador pode ser o suficiente que garanta redução do capacitância de barramento. São apresentados todos os PIQR simulados para diferentes valores de damping. O valor desses damping esta relacionado ao ganho do PIQR em 120 Hz. Quanto maior o damping menor o ganho nessa frequência. Onde pode-se observar para a potência de 34,88 W os controladores da Figura 26.

 

Figura 26 – Bode dos controladores PIQR para uma potência de 34,88W.

 

Na Figura 27, pode-se observar o comportamento dos controladores PIQR para uma potência de 73,6W.

 

Figura 27 – Bode dos controladores PIQR para uma potência de 73,6W

 

Embora o ganho em 120 Hz do PIQR não seja infinito, foi observado que a redução da capacitância de barramento proporcionada pela aplicação desse compensador é muito similar aquela obtida pelo controlador PIR, considerando para um damping de até 0.5.

 

 

5 Conclusão

As lâmpadas LEDs são amplamente utilizadas pelas suas características de vida útil elevada. Porém só é valido se o driver que aciona esse diodo emissor de luz, também atende os quesitos para uma maior vida útil. Para isso é utilizado o controle para esses conversores para a redução da capacitância de barramento, para a substituição dos capacitores eletrolíticos por um com tecnologia de maior vida útil.

Este trabalho propõe a redução dessa capacitância com a utilização de três controladores PI, PIR e PIQR. Esses controladores são propostos no intuito de garantir que a ondulação da corrente de saída mantenha uma referência. O controlador PI garante que a ondulação na frequência de 0Hz se mantenha enquanto o ressonante garante que a ondulação em 120Hz mantenha a referência garantindo erro nulo nessa frequência.

Para a execução dos drivers utilizados em iluminação, têm que ser atendido as normas IEC 61000-3-2 Classe C e a IEEE 1789. Onde é controlado o nível máximo de harmônicos absorvidos pela rede e na segunda norma regula o nível máximo e mínimo da ondulação do ripple da corrente de saída do driver.

Dentre os controladores utilizados para diferentes tensões de barramento e diferentes potências, foi possível obter uma redução percentual da capacitância de barramento. A menor redução obtida foi para um controlador PI, obtendo uma redução de 89,23%. A maior redução foi obtida com a utilização dos controladores PIR e PIQR, conseguindo uma redução de 95%.

O que pôde ser observado que quanto maior a tensão de barramento para diferentes controladores é possível obter uma maior redução na capacitância de barramento. Isso se da pela ondulação e a redução da capacitância de barramento ser percentuais. Como nessas tensões maiores o ganho na frequência de 120Hz é maior foram obtidas reduções maiores que os de tensão de barramento menores, por propiciar uma ondulação maior no barramento e manter a corrente de saída e garantir que seja atendida a norma IEEE 1789.

Foi possível fazer a análise dos controladores para diferentes tensões de barramento e diferentes potências. Comparativo de compensadores no intuito de observar se para diferentes casos, era mantido tanto o controlador quanto a redução percentual da capacitância de barramento. Todos os dados obtidos através de simulações se mantiveram próximos, assim tendo uma melhor visão para diferentes casos para um mesmo modelo de conversor.

 

 

Referências

61000-3-2, I. (2005). Electromagnetic compatibility (EMC) - Part 3: Limits - Section 2: Limits for harmonic current emissions (equipment input current < 16A per phase).

 

ABNT, A. B. d. N. T. (2012). NBR 16026: 2012 - Dispositivo de controle eletrônico C.C. ou C.A. para módulos de LED - Requisitos de Desempenho. , Primeira edição.

 

Accardi, A., Dodonov, E. (2013). Ensure long lifetime from electrolytic capacitors: A case study in LED Light Bulbs. Application note 5591.

 

Agarwal, N., Arya, A., Ahmad, M. W., Anand, S. (2016). Lifetime monitoring of electrolytic capacitor to maximize earnings from grid-feeding pv system. IEEE Transactions on Industrial Electronics, 63(11), 7049–7058.

 

Alemi, P., Jeung, Y., Lee, D. (2015). Dc-link capacitance minimization in t-type three-level ac/dc/ac pwm converters. IEEE Transactions on Industrial Electronics, 62(3), 1382–1391.

 

Almeida, P. S., Soares, G. M., Pinto, D. P., Braga, H. A. C. (2012). Integrated sepic buck-boost converter as an off-line led driver without electrolytic capacitors. Em: IECON 2012 - 38th Annual Conference on IEEE Industrial Electronics Society, pp. 4551–4556.

 

Alonso, J. M., Calleja, A. J., Gacio, D., Cardesín, J., López, E. (2011). A long-life high-power-factor hps-lamp led retrofit converter based on the integrated buck-boost buck topology. Em: IECON 2011 - 37th Annual Conference of the IEEE Industrial Electronics Society, pp. 2860–2865.

 

Alonso, J. M., Gacio, D., Calleja, A. J., Sichirollo, F., da Silva, M. F., Costa, M. A. D., do Prado, R. N. (2012). Reducing storage capacitance in off-line led power supplies by using integrated converters. Em: 2012 IEEE Industry Applications Society Annual Meeting, pp. 1–8.

 

Bender, V. C. (2012). METODOLOGIA DE PROJETO ELETROTÉRMICO DE LEDs APLICADA AO DESENVOLVIMENTO DE SISTEMAS DE ILUMINAÇÃO PÚBLICA. Dissertação (mestrado em engenharia elétrica).

 

Bullough, J. D. (2003). Lighting answers: LED Lighting Systems. National Lighting Product Information Program.

 

CAMPONOGARA, D. (2015). Desenvolvimento de Topologias com Redução do Processamento Redundante de Energia para Acionamento de LEDs. Tese (Doutorado).

 

Chen, W., Hui, S. Y. R. (2012). Elimination of an electrolytic capacitor in ac/dc light-emitting diode (led) driver with high input power factor and constant output current. IEEE Transactions on Power Electronics, 27(3), 1598–1607.

 

Cosetin, M. R., Luz, P. C. V., da Silva, M. F., Bisogno, F., Alonso, J. M., do Prado, R. N. (2012). Single-stage sepic-buck converter for led lighting with reduced storage capacitor. Em: IECON 2012 - 38th Annual Conference on IEEE Industrial Electronics Society, pp. 4597–4603.

 

Cosetin, M. R., Bolzan, T. E., Luz, P. C. V., da Silva, M. F., Alonso, J. M., do Prado, R. N. (2014). Dimmable single-stage sepic-buck converter for led lighting with reduced storage capacitor. Em: 2014 IEEE Industry Application Society Annual Meeting, pp. 1–7.

 

Da Fonseca, Z. P., Pedroso, M. D., Perin, A. J., Kaster, M. D. S., Nascimento, C. B. (2012). Single-stage high power factor converter without electrolytic capacitors to drive power leds. Em: IECON 2012 - 38th Annual Conference on IEEE Industrial Electronics Society, pp. 757–762.

 

ECP (2018). Relatório Técnico, URL https://http://www.ecp.com.br.

 

EIA, I. S. . A., U.S., E. I. A. (2007). Relatório Técnico, URL https://www.osram.com.br.

 

EIA, I. S. . A., U.S., E. I. A. (2012). 2012 Comercial Buildings Energy Consumption Survey: Energy Usage Summary. Relatório Técnico, URL https://www.eia.gov/consumption/commercial/reports/2012/energyusage.

 

EPCOS (2012). Aluminum electrolytic capacitors, single ended capacitors. Folha de especificações B43890.

 

Gu, L., Ruan, X., Xu, M., Yao, K. (2009). Means of eliminating electrolytic capacitor in ac/dc power supplies for led lightings. IEEE Transactions on Power Electronics, 24(5), 1399–1408.

 

Han, L., Narendran, N. (2011). Desenvolvimento de Topologias com Redução do Processamento Redundante de Energia para Acionamento de LEDs. Power Electronics, IEEE Transaction on, 26(8), 2249–2257.

 

INMETRO, d. . d. o. d. ., Portaria n 478 (2018). Consulta pública: Regulamento Técnico de Qualidade para Luminárias para Lâmpadas de Descarga e LED - Iluminação Pública Viária. .

 

Jaehee, C., JUN, H. P., JONG, K. K., F, S. (2017). White light-emitting diodes: History, progress and future. .

 

Krein, P. T., Balog, R. S., Mirjafari, M. (2012). Minimum energy and capacitance requirements for single-phase inverters and rectifiers using a ripple port. IEEE Transactions on Power Electronics, 27(11), 4690–4698.

 

Lam, J. C. W., Jain, P. K. (2015). A high power factor, electrolytic capacitor-less ac-input led driver topology with high frequency pulsating output current. IEEE Transactions on Power Electronics, 30(2), 943–955.

 

Lehman, B., Wilkins, A. J. (2014). Designing to mitigate effects of flicker in led lighting: Reducing risks to health and safety. IEEE Power Electronics Magazine, 1(3), 18–26.

 

Luz, P. C. V. (2017). Controle Ressonante Aplicado à Redução de Capacitância de Barramento em Conversores com Estágios de Potência Integrados para Alimentação de LEDs a Partir da Rede CA. Tese (Doutorado em Engenharia Elétrica). Universidade Federal de Santa Maria.

 

Menke, M. F., Seidel, . R., Tambara, R. V. (2019). Llc led driver small-signal modeling and digital control design for active ripple compensation. IEEE Transactions on Industrial Electronics, 66(1), 387–396.

 

MOUSER, P. C. B. M. P. F. C. K. C., Electronics (2018). Folha de espec - C4AQLBU5100A1XK. .

 

PHILIPS LUMILEDS, . (2010). Relatório Técnico, URL https://ritelites.com/yahoo_site_admin/assets/ docs/WP_on_LED_life.3482523.pdf.

 

Pinto, R. A., Cosetin, M. R., Campos, A., Dalla Costa, M. A., do Prado, R. N. (2012). Compact emergency lamp using power leds. IEEE Transactions on Industrial Electronics, 59(4), 1728–1738.

 

Soares, G. M., Almeida, P. S., Alonso, J. M., Braga, H. A. C. (2017). Capacitance minimization in offline led drivers using an active-ripple-compensation technique. IEEE Transactions on Power Electronics, 32(4), 3022–3033.

 

United Chemi-Con, M. A. E. C. K. S. (2018). Folha de especificações CAT.No.E1001R.

 

Wang, B., Ruan, X., Yao, K., Xu, M. (2010). A method of reducing the peak-to-average ratio of led current for electrolytic capacitor-less AC/DC drivers. IEEE Transactions on Power Electronics, 25(3), 592–601.

 

Wang, S., Ruan, X., Yao, K., Tan, S., Yang, Y., Ye, Z. (2012). A flicker-free electrolytic capacitor-less AC/DC LED driver. IEEE Transactions on Power Electronics, 27(11), 4540–4548.

 

Wang, Y., Alonso, J. M., Ruan, X. (2017). A review of led drivers and related technologies. IEEE Transactions on Industrial Electronics, 64(7), 5754–5765.

 

Zhou, Y., Li, X., Ye, X., Zhai, G. (2012). Prognostics and System Health Management (PHM). 2012 IEEE Conference, pp. 1–5.